DAC-Uhr

Ein Designobjekt, das die Uhrzeit auf analogen Drehspulinstrumenten anzeigt.
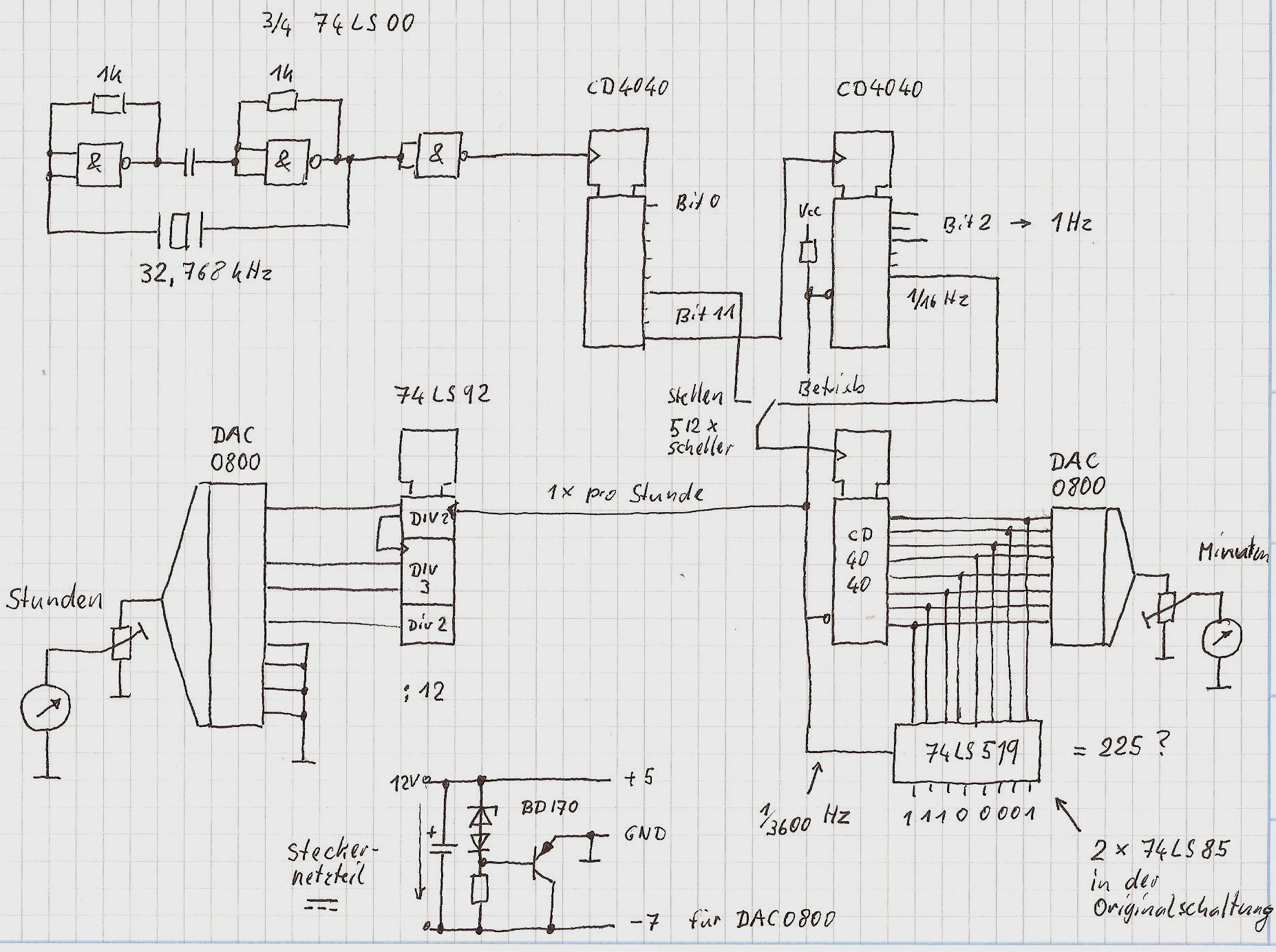
Dem Entwurf sieht man an, dass er aus den 90er Jahren stammt, da sage und schreibe 9 ICs den Weg in die Schaltung gefunden haben. Heute hätte ich vermutlich einen Mikrocontroller verwendet.
Aber so sieht's wenigstens ziemlich technisch und kompliziert aus...
Die Anzeige
Bei den Minuten werden die vollen 8 bit des DACs ausgenutzt, d.h der Minutenzeiger bewegt sich analog.Um die Schaltung zu vereinfachen, wird beim Stunden-DAC nur bis 12 gezählt. Der Zeiger springt also jeweils zur vollen Stunde.

Schaltungsprinzip und Platine
Der Schaltplan aus der vor-Eagle Ära.

Uhr_schaltplan-HD.jpg
Hier gehört die Platine zum Design. Die Silberdrähte verbinden die Platine mit den Instrumenten und der Klinkenbuchse. Gleichzeitig halten sie die Platine. Der Taster zum Stellen der Uhr sorgt dafür, dass die Platine mittig zwischen den Plexiglasplatten schwebt.

Mehr Details in c't Hacks 3/2014

Link zum Heft:
http://shop.heise.de/ct-hacks-3-2014